榮バリュー株式会社
榮バリュー株式会社
会社所在地
お問い合わせ
加工設備一覧
土木配管
レールクリップ
検査・設計
溶接部品
切削部品
榮バリュー株式会社
会社所在地
お問い合わせ
加工設備一覧
土木配管
レールクリップ
検査・設計
溶接部品
切削部品
検査・設計
榮バリュー株式会社
加工設備一覧
土木配管
検査・設計
溶接部品
正確な寸法で加工する為に、測定器も充実させています。
必要に応じて検査成績表も提出いたします。
三次元測定機
部品ごとに測定マクロを作製して、誰でも簡単に測定できるようにしています。
ノギス・マイクロメーター
シリンダーゲージ・ブロックゲージ・リングゲージ
(写真・切削加工 3DCAD CAM)
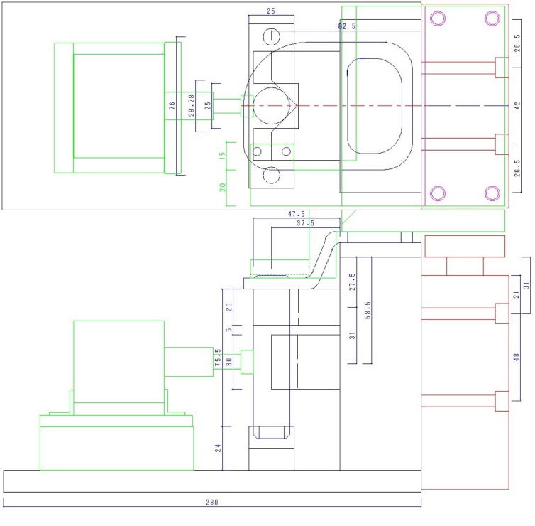
お客様より頂いた製品図を元に、治具部品から社内で設計します。
切削加工品・溶接製品は3DCADデータ化して加工もCAMでデータ化しています。
(写真・治具完成図 2DCAD)
お客様より頂いた製品図を元に、治具部品から社内で設計・製造するので
すり減り等、消耗品等がある場合の交換対応が早くなります。
設計変更等があっても社内で対応できます。
(写真・溶接風景 ロボット溶接)
溶接はスパッタが多く出るのでスパッタヨケを追加したり、保護カバーをつけたり、量産していくと治具はレベルアップしなくてはなりません。
しかし量産が始まっている製品は生産をストップする事が難しく外注で治具の改造を依頼などしているとその間生産ストップしなくてはいけなくなってしまいお客様に迷惑をかけてしまいます。
榮バリューでは、治具はなるべく自社製で設計変更や改造などすぐに出来るように対応しているので治具の入れ替えや変更は即時に完了できます。
榮バリュー株式会社
会社所在地
お問い合わせ
加工設備一覧
土木配管
レールクリップ
検査・設計
溶接部品
切削部品